
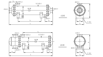
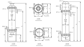
山东国信双纹管湍流换热器,有汽一水和水一水两种换热形式,一般用于采暖系统,空调系统,卫生热水系统及 其它工业用水的换热。本公司生产的双纹管湍流换热器具有体积小,占用空间少,易于搬运,结构紧凑的优点。为了适应不同的场地和用户要求,换热器有立式、卧式两种形式,以适应不同的位置和空间。以下是换热器两种形式的外形图:
GXQS 型立式换热器外形图
GXQS型卧室换热器外形图
山东国信工业设备有限公司是集设计、设备制造、安装调试、工程总包、技术咨询于一体具有自主知识产权的现代化企业,具有多名技术人员,可以根据你的位置和空间为您选择合适的换热器,具体参数可以拨打我们的免费电话:400-000-6711